





- Equipped with a high performance 4-speed blower at 650 Max CFM to efficiently ventilate pollutants and odors out of the home
- Sleek, 10-inch under-cabinet pro-style hood design is easy-to-clean and seamlessly matches with other kitchen appliances
- Dishwasher safe stainless steel baffle filters designed with professional quality to remove grease and odors from high heat cooking, with a handle for easy removal and a removable grease drip rail
- Ventilation is configurable to duct out of the hood shell in either horizontal and vertical direction with internal blowers.
- Control the atmosphere while cooking with 3 modules of 2-level LED lighting
- Heat Sentry® detects excessive heat and adjusts blower speed automatically to protect the integrity of the unit
- Code Ready Technology™ (CRT) supports the installer's job by automatically adjusting the CFM/fan speed to meet local make-up air codes
- Fresh, modern styling for a sleek look
Broan 650 Max Blower CFM,
Broan's Pro-Style range hood series provides a sophisticated design without sacrifice. Built to withstand commercial style ranges and cooking habits, the stainless steel wall mount hood is a seamless fit for both your space and the way you cook. These models come equipped with powerful, integrated internal blowers and embody professional features such as baffle filters, brilliant LED lighting, and 4-speed controls.
Filter Type | Stainless Steel Baffle |
Heat Sentry™ | Yes |
HVI Certified | Yes |
Lighting Type | LED |
Sound Level (Sones) | <0.3 |
Sound Level (Sones) | 0.3 |
UL Listed | No |
ADA Compliance | No |
Damper Included | No |
ENERGY STAR® certified | No |
Light Bulbs Included | No |
Light Levels | 2 |
Material | Stainless Steel |
Nightlight Or Nighlight Setting | No |
Ductless Recirculation Capable | No |
Ductless Filter Or Kit Included | No |
Remote Operation Capable | No |
Speed Levels | 4 |
Switch Control Type | Rotary |
Rated Voltage | 120 |
Boost Mode | No |
Country of Origin | Canada |
Minimum Height Above Cook Top | 24 |
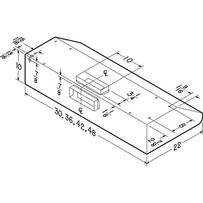
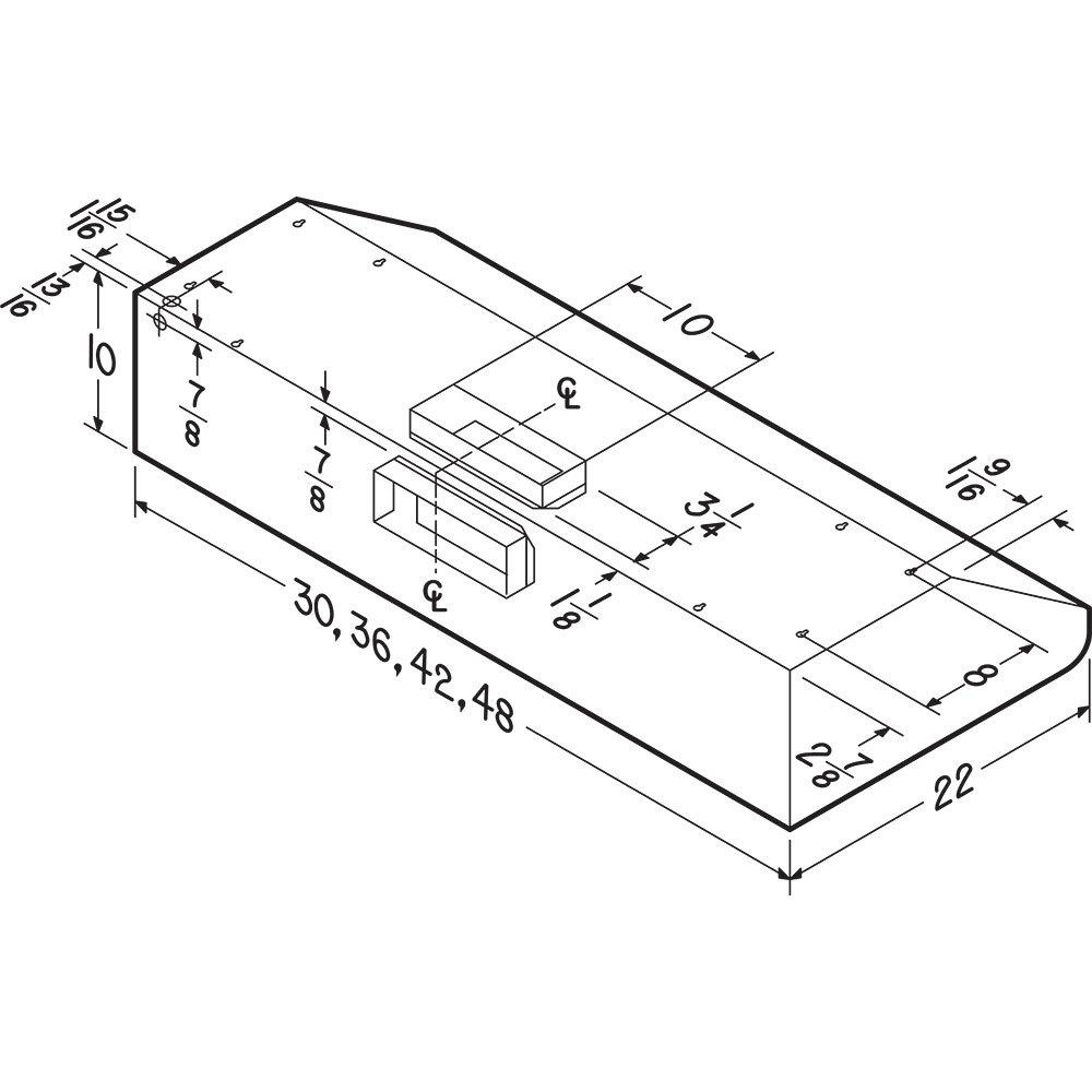
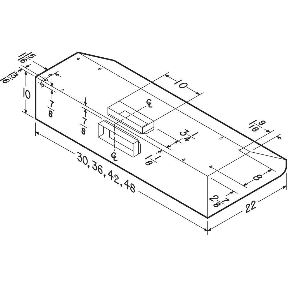
Product Depth | 22 |
Product Height | 10 |
Product Width | 30" |
Built-In Timer | No |
CFM | 650 |
Diameter | 8-inch round;3.25 x 10-inch |
Vent Type | Convertible with Kit |
Duct Direction | Horizontal/Vertical |
Bulb (Recommended Type) | LED |
Light Color Temp | No |
Manufacturer Warranty | 1 year |
Wattage | 347 |